Questions? Call 800-229-4444
Send NoImagePrint
  1. pin-int

NTN
6206LLBNR

NTN 6206LLBNR 62 Series Round Bore Standard Small Deep Groove Radial Ball Bearing, 30 mm Dia Bore, 62 mm OD, 1 Rows, 16 mm W, 19500 N Load

  • Manufacturer: NTN
  • Brand: NTN
  • BSC Item#: 6206LLBNR NTN
  • MPN: 6206LLBNR
  • Min. Order Qty: 1
  • Qty. Interval: 1
  • Availability: Call for Availability

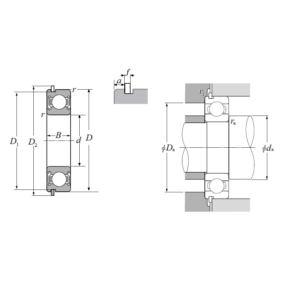
Deep groove ball bearings are very widely used. A deep groove is formed on each inner and outer ring of the bearing enabling them to sustain radial and axial loads in either direction as well as well as the complex loads which result from the combination of these forces. Deep groove ball bearings are suitable for high speed applications.

NTN Deep Groove Radial Ball Bearing, Round Bore Standard Small, Series: 62 Series, 30 mm Bore, 62 mm OD, 1 Rows, 16 mm Width, Double Seal Closure, 19500 N Load, High Carbon Chrome Steel Bearing, Nitrile Rubber Seal, Pressed Steel Cage, 11000 rpm Grease Maximum, -40 to 120 deg C

  • Both sides of the seal edge have a circular concaved surface which creates several narrow wide gaps along the V-shaped groove of the inner rings sealed surface
  • The unique design ensures a perfect labyrinth effect
  • This non-contact, low friction bearing assembly requires very little torque and is highly resistant to dust build-up
  • Snap ring groove on outer ring
  • ISO class 0 precision rating
  • Double sealed non-contact nitrile rubber seal
  • CN radial clearance
  • 19500 N dynamic/11300 N static
  • pdf Catalog https://externalassets.unilogcorp.com/ASSETS/DOCUMENTS/ITEMS/EN/NTN_3201_Catalog.pdf
Standard/Approvals      :      AAIA|AFBMA 4|ABEC 1|ABMA|AEM|ANSI B3.4|JIS B 1514|PTDA
Application      :      Construction, Wind Energy, Metals Manufacturing, Mining, Food and Beverage, Precision and Machine Tools, Paper and Forestry, Oil and Gas, Agriculture and Electric Motors