Questions? Call 800-229-4444
Send NoImagePrint
  1. pin-int

Fenner Drives®
CT1202

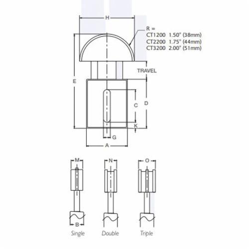
Fenner Drives® T-MAX® CT1202 CT Series Linear Single Chain Tensioner, #40, Aluminum

  • Manufacturer: Fenner Drives
  • Brand: Fenner Drives®
  • BSC Item#: CT1202 EFSN
  • MPN: CT1202
  • Min. Order Qty: 1
  • Qty. Interval: 1
  • Availability: Call for Availability

Fenner Drives® T-MAX® Chain Tensioner, Linear Single, Series: CT Series, #40, Aluminum, 3 in L x 1 in W x 5.47 in H

  • Fully automatic straight-line take up and extended life through improved performance on most fixed-center drives
  • The single bolt feature offers easy installation and adjustment while the built-in spring mechanism absorbs momentary overload and reduces vibration
  • pdf Catalog https://externalassets.unilogcorp.com/ASSETS/DOCUMENTS/ITEMS/EN/Fenner_AFD104100_Catalog.pdf
Application      :      For use with belts and chain drives