Questions? Call 800-229-4444
Send NoImagePrint
  1. pin-int

Micron®
32-716611-D035

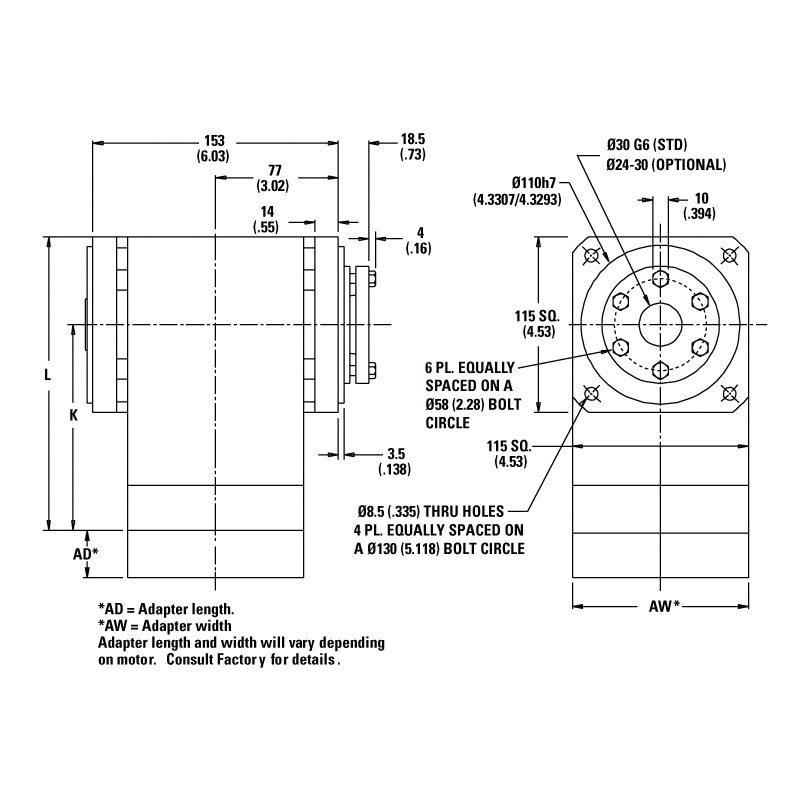
Micron® TRUE Planetary™ 32-716611-D035 DuraTRUE™ Cyclical-Duty Spur Gearhead, RediMount™ Motor Mounting System Input, Hollow Shaft Output, 25:1 Gear Ratio, 200 rpm Maximum Output, 40 N-m Torque Rating

  • Manufacturer: Thomson Industries
  • Brand: Micron®
  • BSC Item#: 32-716611D035 MICRON
  • MPN: 32-716611-D035
  • UPC: 662486650201
  • Min. Order Qty: 1
  • Qty. Interval: 1
  • Availability: Call for Availability

The Micron® DuraTRUE™ is a high-precision, planetary gearhead that can ship standard with the innovative RediMount™ adapter kit, allowing for quick and error-free mounting to any servo motor. With a variety of shaft configurations, you can design your system in the smallest of envelopes, eliminating the need for coupling. Featuring a "T" design that allows for running two axes with one motor, the DuraTRUE™ has many ratios in stock for immediate delivery.

Micron® TRUE Planetary™ Spur Gearhead, Cyclical-Duty, Series: DuraTRUE™, 25:1 Gear Ratio, RediMount™ Motor Mounting System Input, Hollow Shaft Output, 30 mm g6 Output, 200 rpm Output Maximum Speed, 5000 rpm Input Maximum Speed, 40 N-m, 8 arcmin Backlash, 137 mm Centre Distance, 98 % Efficiency, Grease Lubrication, Right Angle Vertical Mount, Anodized Aluminum

  • RediMount™ system provides error-free motor installation
  • High torque to size ratio allows compact design
  • Low backlash eliminates positioning errors due to lost motion
  • Adapter length (AD) may vary depending on motor
  • Inertia matching keeps servo system stable and in control
  • High rigidity optimizes system response
  • Self re-lubrication eliminates costly maintenance and downtime
  • High radial load capacity mount pulleys and pinions directly on the output shaft
  • Stainless steel output shaft
  • Size 115 frame
  • RM115-28 1 in H bore RediMount™ kit
  • pdf Catalog https://externalassets.unilogcorp.com/ASSETS/DOCUMENTS/ITEMS/EN/Micron_52_118617_D018_Catalog.pdf
  • pdf Instruction/Ins... https://externalassets.unilogcorp.com/ASSETS/DOCUMENTS/ITEMS/EN/Micron_52_118617_D018_Manual.pdf
Standard/Approvals      :      AGMA 14|RoHS Compliant
Application      :      For high precision motion control applications