Questions? Call 800-229-4444
Send NoImagePrint
  1. pin-int

FAG
3810-B-2RS-TVH

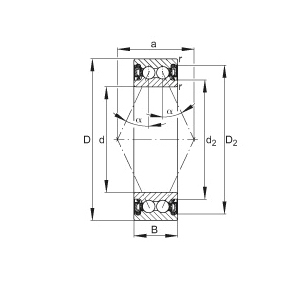
FAG 3810-B-2RS-TVH 38..-B-2RS Angular Contact Ball Bearing, 50 mm Dia Bore, 65 mm OD, 2 Rows, 12 mm W, 25 deg, 8500 N Dynamic/10200 N Static/570 N Fatigue Load

  • Manufacturer: Schaeffler Group
  • Brand: FAG
  • BSC Item#: 3810-2RS INA
  • MPN: 3810-B-2RS-TVH
  • Min. Order Qty: 1
  • Qty. Interval: 1
  • Availability: Call for Availability

FAG Angular Contact Ball Bearing, Series: 38..-B-2RS, 50 mm Bore, 65 mm OD, 2 Rows, 12 mm Width, 25 deg Contact Angle, Double Seal Closure, 8500 N Dynamic/10200 N Static/570 N Fatigue Load, Steel Cage, 4800 rpm Maximum, 110 deg F, Uncoated

Bore Diameter      :      50 mm
  • Lip seals on both sides
  • pdf Specification S... https://externalassets.unilogcorp.com/ASSETS/DOCUMENTS/ITEMS/EN/INA_3810_B_2RS_TVH_Specification_Sheet.pdf