Questions? Call 800-229-4444
Send NoImagePrint
  1. pin-int

Timken®
HH932132-90066

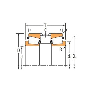
Timken® HH932132-90066 321 Heavier Than Heavy Duty Tapered Roller Bearing Assembly, 5 in Dia Bore, 12 in OD, 2 Rows, 7-1/2 in W

  • Manufacturer: Timken
  • Brand: Timken®
  • BSC Item#: HH932132-90066 TIMK
  • MPN: HH932132-90066
  • UPC: 053893714219
  • Min. Order Qty: 1
  • Qty. Interval: 1
  • Availability: Call for Availability

Timken® Tapered Roller Bearing Assembly, Heavier Than Heavy Duty, Series: 321, 5 in Bore Dia, 12 in Outside Dia, 2 Rows, 7-1/2 in Width, Steel Bearing, -65 to 250 deg F

  • 32 component designator
  • 9 angularity designator
  • pdf Catalog https://externalassets.unilogcorp.com/ASSETS/DOCUMENTS/ITEMS/EN/Timken_812590017_Catalog.pdf
Standard/Approvals      :      ABMA Class 2|ANSI Standard
Application      :      Gear Reduction Units and Industrial Machines